GF705 型 杆用方型组合防尘圈
一、标准材料
方型刮尘环:填充 PTFE;
O 型圈:丁腈橡胶、三元乙丙或氟橡胶。
二、概述
GF705 型杆用方型组合防尘圈由一个填充聚四氟乙烯(PTFE)材料的方型刮尘环和一个国标 O 型橡胶圈组成,起到刮尘作用。特别适用于恶劣工况,如大量泥沙、尘埃严重或粘性附着物的 环境等。
三、特点
*优异的滑动性
*启动时,无粘滞及爬行现象
*坚固的防尘圈,用于重型用途
*能补偿活塞杆或柱塞较大的变形
*刮除污染物的效果非常好,即使是很牢固的粘着物
四、工况条件

五、订货示例
例:活塞杆直径 d=Φ100mm
订货型号 GF705--100

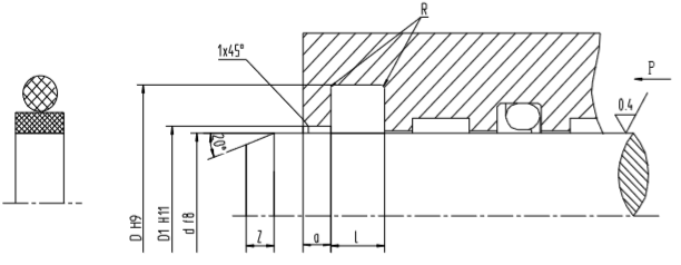
六、沟槽尺寸

注:杆径 d≤ф30mm,建议采用分体式沟槽。
七、规格表

其他尺寸和直径 1000 毫米之内的所有中间尺寸均能提供(包括英制尺寸)。